欢迎来到金龙电子实业有限公司官网!

English联系金龙网站地图

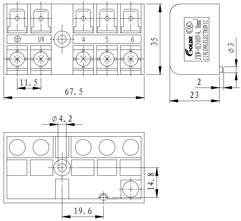
JXW-H

  • 产品型号:JXW-H
  • 额  定  值:300V/30A
  • 适用电线:0.5-4.0m㎡
  • 材       质:PBT

源头厂家规格齐全可按需打样定制


产品参数

额定值     Rating 300V/30A
适用电线 Applicable wire 0.5-4.0mm2
连接方式 Connection mode 250# M4
基体材质 Base material PBT

上一个:JXO-E1 下一个:JXO-SXL-7P

联系金龙

  • 联系电话:0577-62927777
  • 公司邮箱: jl@cn-jinlong.com
  • 公司地址: 浙江省乐清市北白象镇温州大桥工业园区珠江路77号

扫码咨询

推荐产品MORE

相关资讯MORE

用户评论

我要评论

( 内容最多500个字 )

重写提交